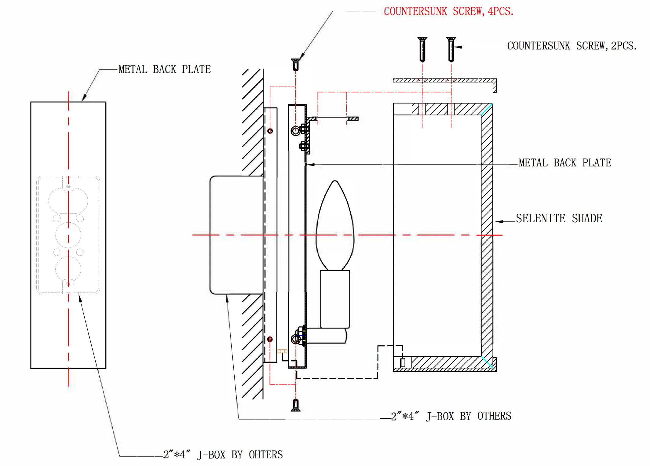
Ravel Sconce
The Ravel Sconce was developed for Luxe light & Home. It’s simple design is comprised of elegant textures of marbled alabaster & polished brass. Rendering created in collaboration with Atelier IAS.